- La nouvelle cheville à bascule Duotec fischer convient parfaitement pour tous les montages en attente : fixation de lustres, de suspensions, de spots et de plafonniers, de carillons, d’armoires, de détecteurs de fumée… dans des plaques de plâtres, des panneaux en fibre de plâtre, des panneaux de bois (OSB – aggloméré, stratifié MDF), des panneaux en acier et des panneaux plastiques.
- Elle fonctionne également comme une cheville à expansions si le matériau rencontré s’avérait plein. Fabriquée à partir d’une combinaison de plastiques (souple et dur) renforcée de fibres de verre de haute qualité, elle garantit une bonne capacité de répartition des charges, dans les plaques de plâtre sans endommager le matériau. Par ailleurs pour une sécurité optimale, une fois la cheville à bascule placée dans le forage, une douille blanche renforcée en fibre de verre, s’insère également dans l’entrée du trou pour offrir une capacité de charges de cisaillement encore plus élevées.
- La partie rouge en nylon dur (50% fibre de verre) à la forme ondulée augmente la rigidité et la capacité de charge (traction).
- La force du ressort en nylon assurer l’expansion derrière la plaque de plâtre.
- L’adaptateur de vis flexible pour vis à bois de 4.5 à 5 de diamètre.
- La partie gris en nylon souple augmente la surface d’appui pour une capacité de charges plus élevée (traction) et évite de cisailler ou de détériorer la plaque de plâtre.
Donnée techniques
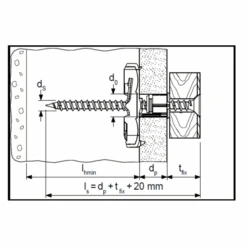
| Diamètre du trou de perçage (d0) | 10 mm / 3/8″ |
| Épaisseur mini du panneau (dp) | 9.5 mm |
| Épaisseur max du panneau (dpmax) | 55 mm |
| Profondeur mini de la cavité (lhmin) | 40 mm |
| Diamètre nominal de la vis à bois (ds) | 4.5 à 5.0 mm / 3/16″é |
| Longueur nominale de vis (ls) | dp tfix 20 mm |
Installation facile
- Il suffit de placer la cheville à bascule parallèlement à la longue tige crantée, de l’insérer dans le forage avec le marquage de la flèche vers le haut.
- Il faut ensuite pousser la douille blanche le long de la tige crantée, jusque dans le forage, et rompre cette tige en la pliant.
- La force du ressort en nylon assure l’expansion derrière la plaque de plâtre.
- La pose de vis à bois est recommandée mais cela fonctionne également avec des vis métriques.
Domaines d’application
-
Particulier
- Forage courant à 10 mm
- Facile et rapide à utiliser
- Utilisation avec vis filetage bois
-
Décorateur
- S’utilise avec différentes plaques même doublées
- Signale la présence d’obstacle
-
Menuisiers
- S’utilise avec vis à bois aggloméré
- S’installe sans outils spécifiques
-
installateur
- Capacité de charges élevées même sans structure porteuse
-
Électriciens
- Pose et dépose facile



















Avis
Il n’y a pas encore d’avis.