- Matière : Acier S235 JR (Matière n° 1.0037) selon DIN EN 10025
- Traitement : Acier électrozingué, env. 13 µm
Applications
- Rails en profils C pour la réalisation de fixations légères réglables en hauteur et latéralement.
- Fixation rapide et efficace de chemins de câbles électriques ou de canalisations.
| Pour profil | 27/18 |
| Longueur | 300 mm |
| Charge admissible maxi. pour le cas 1 Fadm | 0.36 [kN] |
| Charge admissible maxi. pour le cas 2 Fadm | 0.17 [kN] |
| Charge admissible maxi. pour le cas 3 Fadm | 0.36 [kN] |
| Hauteur H | 120 mm |
| Largeur W | 40 mm |
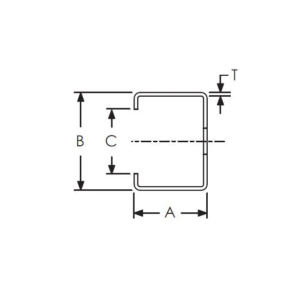
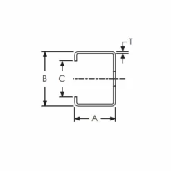
| Épaisseur T | 1,25 mm |
| A | 18 mm |
| B | 27 mm |
| C | 15,5 mm |
| D | 60 mm |
| E | 4 mm |
| X | 11 x 18 mm |
| Y | 8.5 x 20 mm |
| Dimension du trou HS | 10,5 mm |



















Avis
Il n’y a pas encore d’avis.